
Spousta lidí má doma nějaké to akvárium a v dnešní době se stále více objevuje trend nových technologíí a vylepšení jako třeba LED osvětlení a automatizace. Popíši zde moji verzi automatizační jednotky, která zajišťuje automatické ovládání LED světel, teploty a vzduchování, programovatelné přes počítač...
Před nějakou dobou jsem se rozhodl pořídit akvárium, po dlouhém hledání na internetu jsem vybral Aquatlantis Advance 80. Jedná se o akvarijní set, který je vhodný i pro začátečníky. Je vybaven LED osvětlením, filtrem s topítkem a čerpadlem, což by mělo pro začátek stačit. Akvárium má objem 96l a rozměry 80x30x40 cm. Vřele mohu doporučit obchod, který je ofiiálním dodavatelem těchto setů Aquatlantis a to je www.rataj-spk.cz . Pro mé akvárium mi doporučili substrát Profi Soil, který přímo vyrábí firma pana Rataje, ten mohu doporučit, avšak dejte pozor na to, že tento substrát je nutno před použitím 2 dny namočit v teplé vodě, jinak může část plavat na hladině. Odměnou za trpělivost je kvalitní substrát pro růst rostlin a pěkný vzhled. Ceny, fotky a podrobný popis najdete v dalším textu.
Jelikož mě baví elektrotechnika a rád něco kutím, rozhodl jsem se moje akvárium trochu automatizovat. Z Ebay jsem nakoupil nějaké součásti a začal s konstrukcí .Tato automatizační jednotka umí hned několik věcí:
1. Časové řízení svitu hlavního LED osvětlení 0-100% (1 kanál)
2. Časové řízení svitu doplňkových LED osvětlení pro soumrak a úsvit 0-100% (2 kanály)
3. Časové spínání zásuvek (2 kanály)
4. Řízení teploty PID regulací (1 kanál, 1 zásuvka) + spínání ventilátoru při vysoké teplotě.
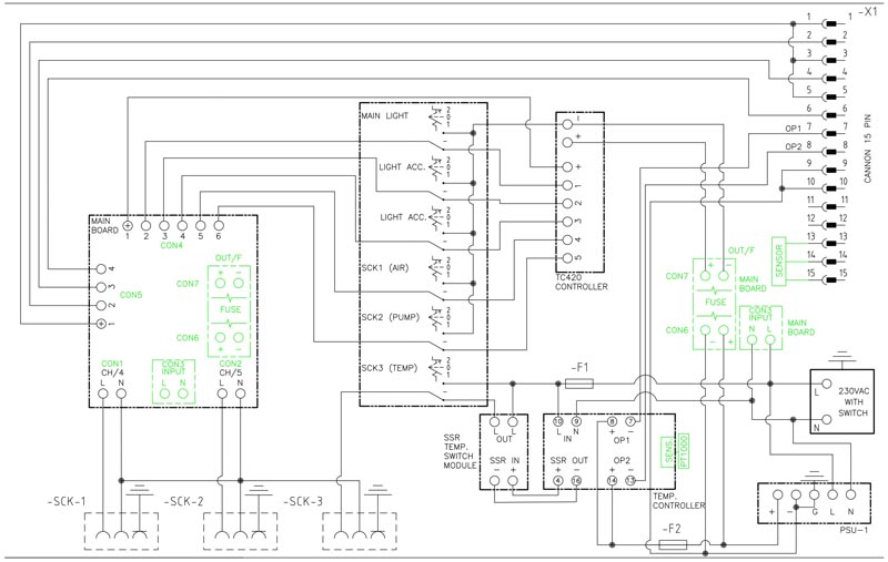
Tyto fuknkce, kromě řízení teploty zajištuje programovatelný LED kontrolér TC420, který je schopen ovládat 5. kanálů, v závislosti na čase a nastaveném režimu. Tyto funkce se přednastaví přes USB port na počítači v přehledném programu. Čas je nastavitelný od 00:00 do 23:59 myslím, že v max. počtu 99 kroků, kroky se dají nastavit od 0 do 100% buď se skokovou změnou (JUMP) a nebo plynulým přechodem (FADE) na všech pěti kanálech zvlášť. Tento LED kontrolér je schopen sám o sobě řidit jen LED osvětlení 12-24VDC, a proto jsem musel doplnit přídavný modul s relátky (SSR) pro spínání dvou zásuvek na 230VAC. V kontroléru se musí nastavit v buď 0 nebo 100% ,vše v módu JUMP, aby se sepnulo/vypnulo relé. Když nastavíte 100% nebo 0 % (JUMP) výstup kontroléru se sepne nebo vypne, v případě jiné nastavené hodnoty je výstup spínán pulzně-šířkovou modulací, která zajišťuje maximální účinnnost při řízení svitu LED.
Funkci řízení teploty zajišťuje teplotní kontrolér Osaka QB 48. Tento kontrolér pomocí precizní PID regulace, udržuje teplotu v akváriu v přesnosti +/- 0,1 °C .Termostat je vybaven mechanickým relé, to mám použito pro signalizaci vysoké teploty a sepnutí přídavného ventilátoru nad akvárium. Pro PID regulaci má kontrolér také 12VDC výstup, na který jsem zapojil modul SSR relé, jednak aby nebylo slyšet cvakání a také pro větší spolehlivost, pro PID regulaci, která spíná relé I několikrát za hodinu je SSR relé nutností. SSR Relé ovládá zásuvku napojenou na topítko, v něm je nastavena samozřejmě větší teplota cca o dva, tři stupně větší než budte standatrně nastavovat. V případě selhání kontroléru se pak teplota zastaví přímo topítkovým termostatem. Čidlo pro kontrolér jsem použil vodotěsnou PT1000.
Jako další součást automatizační jednotky jsem vytvořil DPS s polovodičovými relátky pro spínání zásuvek a doplnjícími pojistkami. Pro teplotní kontrolér mám DPS s SSR relé . Jako zdroj pro celek slouží MeanWell RS-75-12 (12VDC/6A).
Hlavní deska s relátky a pojistkami má ještě LED indikaci sepnutých relé (nestandartně v sérii s SSR, aby jsem poznal případnou poruchu optočlenu v SSR). Všechny výstupy jsou zapojeny na 3. polohové přepínače, aby bylo možno ovládat (zásuvky a LED výstupy) i manuálně a to v poloze 1 – automatika, poloha 0 – vypnuto, poloha 2 – sepnuto (LED na max. svit).
Orientační seznam komponent a ceny :
1. LED kontrolér TC420 = 700 Kč
2. Digitální termostat včetně čidla + SSR= 1000 Kč + 150Kč (SSR+RC člen)
3. DPS s pojistkami a SSR relé = 250 Kč + 250Kč
4. Krabička (KP14), Spínače (TS123), Zásuvky (1662) = 160 Kč, 120Kč, 200Kč
5. Zdroj Mean Well RS-75-12 = 480Kč
6. Ostatní (konektor CANNON15, LED, vodiče, spínač, siťový filtr) = 300 Kč
Celkově se tedy cena automatizační jednotky vyšplhala na cca. max. 4 000 Kč. Avšak v porovnání s profesionální jednotkou stejného rozsahu je to jen zlomek. Pro příklad může sloužit nejmenovaná LED automatizační jednotka, která ovládá pouze jeden kanál LED osvětlení a to jen v přednastaveném režimu smívání a rozsvícení. Cena za takovýto jednoduchý modul se pohybuje kolem dvou tisíc. Kontrolér Osaka QB 48 jsem sehnal nový za lidovou cenu 600Kč na Aukru, nicméně nový se pohybuje kolem 3000Kč. Místo něj můžete použít levnější verzi z číny a to třeba WTS-3A016, který seženete za 200Kč z Ebaye.
Cena akvária Aquatlantis Advance 80 se pohybuje kolem 3 800, vzduchovací motorek seženete za cca. 300-700Kč, ostatní potřebné věci pro akvárium mi vyšli na cca. 3000 Kč. Celkem tedy za akvárium s vybavením a příslušenstvím dáte něco kolem 7 500Kč.
Samozdřejmě možností pro automatizaci je víc, a pokud jste zdatní v programování mikrokontrolérů, můžete si vyvořit podobný, propracovanější systém. Avšak cena stejně bude obdobná, spíše vyšší, myslím si, že cena kolem 2000 Kč za hlavní komponenty (termostat a LED kontrolér) je velmi dobrá a pokud se nechcete pouštět do nějakých složitostí s programováním, je to ideální řešení, vše je již vymyšleno a vy jen poskládáte celek dohromady, přidáte pár nápadů, SSR relé a vlastní automatizační jednotka je na světě.
Na internetu jsem našel velmi pěkně zpracovanou diplomovu práci p. Jandy, která popisuje jak chemické parametry vody, tak výrobu velmi komplexního ovládacího kontroléru s mikroprocesorem. Je tam i pár typů na komerční regulátory tohoto typu, jejihž ceny se pohybují v řádu desetitisíců.
Teď trochu povídání o samotné funkci mého zařízení. Ze třech možných programovatelných LED výstupů zatím používám všechny a to pro hlavní osvětlení, další dva kanály pro světla jsem použil pro simulaci úsvitu a soumraku, jedná se o 16W světla, které mají specifickou vlnovou délku pro růst rostlin, pro úsvit používám světlo s více červenými led( 2Blue/4Red ) a pro soumrak zase s více modrými led ( 4Blue/2Red ).
Na spínané zásuvky mám zapojený motorek vzduchování, topítko (zásuvka napojena přes termostat) a filtrační pumpu, ta se samozřejmě vypínat nemá, ale přeci jen, třeba při výměně části vody je potřeba ji vypnout, místo ní lze samozřejmě připojit jakékoliv zařízení, třeba ozónizér pro čištění vody nebo CO2 ventil... možností jsou spousty.
Programování v PC probíhá přes freeware program pro řízení kontroléru. Nastavení teploty přímo přes termostat, obojí je jednoduché. V termostatu se nastaví poždadovaná teplota, ale musí se nastavit I parametry PID regulace, v mém případě je to následovně :
Proporcionální složka regulátoru: 0,2
Integrační složka regulátoru : 4000
Derivační složka regulátoru : 600
Programování samotného LED kontroléru (a v našem případě i zásuvek) probíhá přes program Pled. Zjednodušeně řečeno, nastavovat se dá po krocích, v každém kroku se nastaví čas a stav všech kanálů. V mém případě, po půl hodině ve 24h režimu je to 49 kroků, myslím, že maximum je 99, což by mělo bohatě dostačovat. Pokud se nedějě nějaká změna, je možno čas přeskočit a zadat například jen 2 kroky, že se ve stanoveném času v 00:00 vše sepne a v 10:00 vše vypne. Kroků tedy nemusí být nutně tolik. Každý souhrn kroků se dá individálně pojmenovat a udělat jako režim, můžete tam mít nastaveno několik režimů dle ročního období, případně ještě „čistící režim“ nebo něco podobného dle libosti. Režimy se přepínají bez PC, pomocí tlačítek na kontroléru. Podrobný popis programování je zde : http://www.tc420.net/programming-the-TC420.php .
Časy a intenzita osvětlení a vzduchování je individuální, avšak je nutno dodržet pravidla pro zprávný chod akvária. Pro zaběhnutí je potřeba svítit cca. 6 hod. Denně a v případě zaběhnutého akvária je to kolem 10 hodin. Bublinkování/Vzduchování by nemělo být dlouho zaplé při plném svitu ve dne, avšak když světlo nesvítí, mělo by se vzduchovat častěji, kvúli absenci kyslíku z fotosystézy rostlin. Doplňkové osvětlení je řízeno dle denní doby a také pomáhá růstu rostlin. Případné ozónování či CO2 pro růst rostlin už nechám na posouzení odborníka.
Hlavně pro osvětlení jsem vytvořil graf, který znázorňuje tendeci osvětlení akvária a vliv slunečního světla (aktuální pro zimní období), akvárium mám umístěno sice na protější stěně od oken, ale slunečního světla se tam dostává i tak dost. Vše je tedy smozřejmě závislé na ročním období, můžete si proto nastavit klidně 12 režimů pro každý měsíc. Jednoduše řečeno, dodržím svícení kolem 10hod, když svítí slunce, tak intenzitu lineárně snižím a poté zvýším když už nesvítí. Ano, šlo by sice třeba sledovat ještě intenzitu světla v okolí akvária a dle toho řídit automatiku, ale tento způsob svícení díky časovému automatu je víc než dostačující, nejen, že se plynule reguluje úsvit a soumrak, ale také se zhruba reguluje intenzita v závisloti na svitu slunce v daném období a ryby a hlavně rostliny mají větší komfort bez větších změn. Vzduchování zapínám určitých 0.5-1. hod. Intervalech. Vše ale zavisí na více faktorech, například umístění akvária, chemických hodnot vody, počtu rostlin a ryb v akváriu...V akvaristice jsem začátečník, a tak jen doporučím pročíst články na inernetu, popřípadě nějaké odborné publikace, kde se dozvíte víc.
Graf spínání všech kanálů - OSVĚTLENÍ, VZDUCHOVÁNÍ ...
16.12.2019 - Nově přidáno : Měření pH s automatickým sepnutím bublinek při nižším pH (6) + WIFI datalogging přes Thinkspeak :














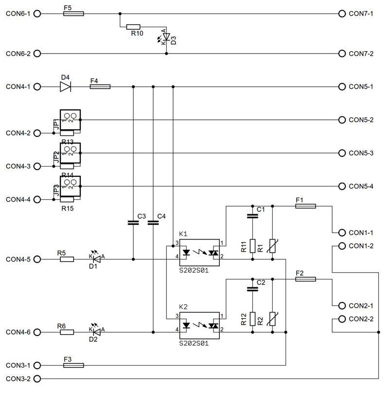
Hlavní DPS : Layout

Hlavní DPS : Schéma

DPS - STRANA SPOJŮ
EAGLE PODKLADY
All component list
Resistors :
- 390R/0.6W / (R5,R6) / 2x
- 470R/0.6W / (R10) / 1x
- 68R/3W / (R11,R12) / 2x
- 560R/3W (OPTIONAL) / (R13,R14,R15) / 3x
- VCR10D391KAR ( VARISTOR, Uac/Udc=250V/320V, RM7.5) / ( R1,R2 ) / 2X
Capacitors :
- CFAC 47n / 275VAC (X2,RM15) / (C1,C2) / 2x
- 1000nF (63V, TANTAL) / (C3,C4) / 2x
Semiconductors :
- S216S02 SHARP (SSR RELAY, 16A/230VAC) / (K1,K2, TEMP.CONT.) / 3x
- P600K (DIODE, 6A) / (D4) / 1x
- GREEN LED, 5mm / (D1,2,3) / 3x
Others :
- S1G20 2,54mm (PINS) / (JP1,2,3,D1,2,3) / 12x
- JUMP-UCH BLK (JUMPER) (JP1,2,3) / 3x
- SPK-2 (JUMPER CONNETOR, 2PIN) / (JP1,2,3,D1,2,3) / 6x
- SPK-PI (PIN TERMINAL) / (JP1,2,3,D1,2,3) / 12x
- KS-PTF78+BS232 (FUSE HOLDERS) / (F1,2,3,4,5, TEMP.CONT.) / 6x
- 5X20 FUSE 1A / (F1,F2, TEMP.CONT.) / 3x
- 5X20 FUSE 3A / (F3) / 1x
- 5X20 FUSE 5A / (F4,F5) / 2x
- ARK500/2 / 7x
- ARK500/3 / 2x
- 1662 (230VAC SOCKET) / (SCK1,2,3) / 3x
- SCREW. TERMINALS (8 TERMINALS) / 1x
- DISTANCE HOLDERS M3X08MM (MAIN BOARD) /3x
- DISTANCE HOLDERS M3X25MM (TC420) /4x
- CANNON 15, MALE + FEMALE + COVER / 1x
- KP14 (Z-17) (PLASTIC BOX) / 1x
- MEAN WELL RS-75-12 (PSU) / 1x
- POWER FILTER FEH51104 / 1x
- POWER SWITCH / 1x
- 3 POSITION, 1 POLE SWITCH / 6x
- PHOTOCUPREXTITE FR4 75x100x1,5 / 1x
- CONTROLLER TC420 DC12V/24V 5 Channel / 1x
- OSAKA QB 48 TEMPERATURE CONTROLLER / 1x
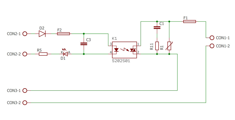
Přídavný SSR modul pro spínání topítka

DPS - STRANA SPOJŮ
EAGLE PODKLADY
All component list SSR MODULE
Resistors :
- 390R/0.6W / (R5) / 1x
- 68R/3W / (R11) / 1x
- VCR10D391KAR ( VARISTOR, Uac/Udc=250V/320V, RM7.5) / ( R1 ) / 1X
Capacitors :
- CFAC 47n / 275VAC (X2,RM15) / (C1) / 1x
- 1000nF (63V, TANTAL) / (C3) / 1x
Semiconductors :
- S216S02 SHARP (SSR RELAY, 16A/230VAC) / (K1) / 1x
- GREEN LED, 5mm / (D1) / 1x
- 1N4007 (D2)
Others :
- 5X20 FUSE 1A / (F1) / 1x
- F2 50mA, FUSE FSKF
- ARK500/2 / 3x
- PHOTOCUPREXTITE FR4
Osvětlení / Režimy
- obyčejné bílé LED světlo (75% studená bílá (6800K) a 25% teplá bílá (4500K)) / 16W (LIGHT)
- GROW light 16W / 36LED ( 4 blue / 2 red ) - soumrak ( zapínám k večeru ) (TWILIGHT)
- GROW light 16W / 36LED ( 2 blue / 4 red ) - úsvit ( zapínám ráno ) (DAWN)
Graf automatické regulace osvětlení a režimů ( bublinek... )

Spektrum hlavního osvětlení (MAIN LIGHT)

Spektrum doplňkového osvětlení (DAWN / TWILIGHT)

Fotky našich rybiček









|